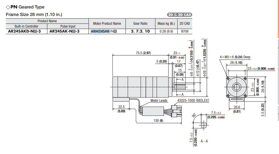
ARM24SAK-N7.2

Thương hiệu: Oriental Tình trạng: Còn hàng

Product Line

Oriental Motor®

Motor Type

Closed Loop

Frame Size

1.1 in

Motor Length

2.97 in.

Driver Voltage Input Power

DC
0₫

Sản phẩm liên quan

Sản phẩm đã xem

-%

ARM24SAK-N7.2

 ARM24SAK-N7.2
 ARM24SAK-N7.2